大家好,这里是未知仪器维修部。
今天分享一下是德科技一款数字调制信号源N5182B的维修。


这台N5182B送修时,客户给出的故障现象是频率有偏差且不稳定,无CW信号输出。设置N5182B CW输出,用频谱仪观测,其输出信号杂乱抖动,无法稳定,简单说就是输出信号的相位失锁了。
这里顺便说一句,这台机器客户提供的故障与我们实际检测到的基本一致。但是有的客户在送修设备时提供的故障描述,与我们拿到机器后实际检测到的故障有的会相差有点远,这样可能一开始会在错误的方向上花费太多时间,耽误机器的修复和使用。
所以在此我们建议:您在送修设备时尽量能提供比较准确的故障描述,这样我们技术人员可以根据您的故障描述来定位导致故障的点,从而能够在第一时间完成维修。
回到这台送修的机器,这个机器在自检时也有很多错误,因为信号输出相位失锁后,其后路的检测电路自然也无法检测到正确的信号,出现多个错误代码也属正常。

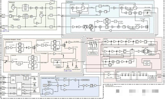
现在的重要的是找到导致失锁的原因以及如何处理掉失锁的问题。参见上图的设备原理框图,基本可以排出是输出部分导致的故障,剩下的就得在机器的各电路模块里一步步测试,直到找出导致机器失锁的故障器件。

这个找出的故障器件是一个专用的分频器件,更换后,仪器输出信号稳定,幅度正常。那么问题来了,我们上面标记的地方是不是有说到“信号失锁后,其后路的检测电路自然无法检测到正确的信号,出现多个错误也属正常”?这个机器就属于这种意外情况,输出不稳定的问题解决后,自检报错是少了,但不是没了,还有3-4个错误,也就是说这个机器还存在其它故障,只是被失锁掩盖掉了,而且还是那种直观用频谱仪无法观测到的故障。
到维修完全结束,这台机器最终发现包括多个放大器,分频器等5处故障。这些故障都修复后,仪器正常,自检无错。并且在返给客户前进行仪器的全面指标测试也都正常。
(注:文中插图来源于仪器制造商官方网站公开手册。)