各位射频、微波、以及高速数字领域的工程师朋友们!在我们的设计中,信号源的“心脏”——振荡器、VCO、PLL 的性能,直接决定了整个系统的表现。信号不够“纯净”,相位噪声过高?VCO 特性摸不透?频率切换不稳定?这些问题是不是让你头疼不已?别担心,您先阅读下文了解一些关于相位噪声测试的基本知识。
接着,我们来介绍一款被誉为“信号源分析神器”的经典仪器——Keysight E5052B 信号源分析仪(SSA)。它究竟有何魔力,能成为众多工程师研发和测试工作中的得力助手呢?


一、不仅仅是相位噪声仪:E5052B 是什么?
首先要明确,E5052B 的官方名称是信号源分析仪(Signal Source Analyzer)。这意味着它不仅仅能测相位噪声,更是一个全面表征信号源特性的综合平台。它将多种仪器的功能集于一身,为评估振荡器、VCO、频率合成器等器件提供了前所未有的便捷性和准确性。
·核心定位:对信号源进行全方位、高精度的特性分析。
·频率范围:其基础频率范围通常覆盖到几 GHz(例如 10 MHz 至 7 GHz),通过选件可以向上扩展到 26.5 GHz 甚至更高(配合外部下变频器可达 110 GHz),满足不同应用场景的需求。
二、硬核实力:E5052B 核心功能亮点 ✨
E5052B 之所以备受推崇,在于其强大的测量能力:
超低相位噪声测量:
采用业界领先的互相关技术,能够有效消除仪器自身的噪声,实现极高的测量灵敏度,精确捕捉被测器件(DUT)的真实相位噪声。
测量频率偏移范围宽,通常从1 Hz近载波区域一直延伸到100 MHz,全面评估不同偏移下的噪声特性。


(典型的E5052B 相位噪声测量曲线图)
VCO 全面自动化表征:
频率vs. 电压/电流 (F-V/F-I)
功率vs. 电压/电流 (P-V/P-I)
调谐灵敏度(Vtune Sensitivity)
电源抑制(Vsupply Pushing)
直流参数(DC Current Consumption)
这绝对是E5052B 的拿手好戏!它可以自动完成 VCO 的各项关键参数测试,包括:
内置超低噪声的直流电源和调谐电压源,确保测试结果的准确性,避免了外部噪声源的干扰。


(典型的 E5052B VCO 调谐特性曲线图)
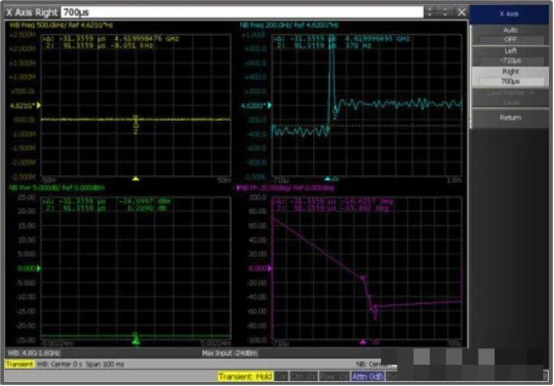
强大的瞬态测量能力:
能够精确捕捉信号源在频率切换或锁定过程中的动态特性。
支持频率vs. 时间、相位vs. 时间、功率vs. 时间的分析,对于评估 PLL 的锁定时间、VCO 的建立时间等至关重要。


(典型的 E5052B 频率瞬态响应图)
其他关键功能:
幅度噪声(AM Noise) 测量:与相位噪声同样重要,提供更全面的信号质量评估。
基带噪声(Baseband Noise) 测量:可分析低至 1 Hz 的噪声分量。
频谱监测(Spectrum Monitor):方便快速查看信号频谱概况。
三、为何选择E5052B?
·一站式解决方案:它整合了相位噪声分析仪、频谱分析仪、频率计数器、功率计、低噪声直流源等多种功能,一台顶多台,大大简化了测试系统搭建,节省了宝贵的实验室空间和预算。
·高精度与高速度:优异的测量精度保证了研发结果的可靠性,同时快速的测量能力也使其能够胜任生产线测试的需求。
·易用性与自动化:直观的用户界面和强大的自动化测试功能(支持 SCPI 命令),让复杂测试变得简单高效。
·行业认可度高:作为一款成熟且广泛应用的仪器,E5052B 在业界的口碑和认可度非常高,其测量结果常被作为参考基准。
四、E5052B 的用武之地(应用场景)
E5052B 的身影活跃在众多高要求的领域:
·高性能振荡器(晶振、OCXO 等)的研发与生产测试
·VCO 的设计验证和批量生产测试
·PLL 锁相环和频率合成器的开发与调试
·高速通信系统(光通信、无线通信)中的时钟和信号源评估
·雷达和电子战系统的本振及信号源测试
·半导体器件的噪声特性研究
·高校及科研机构的精密测量实验
五、温馨提示:继任者与选择
值得一提的是,随着技术的发展,Keysight 也推出了更新一代的信号源分析仪,例如 E5055A等,它们在性能指标(如频率、速度、底噪)上有进一步提升。然而,E5052B 凭借其全面的功能、成熟的性能以及相对较高的性价比,至今仍然是许多实验室和产线的主力设备或经典选择。选择哪款仪器,最终取决于您的具体测试需求、频率范围和预算考量。总而言之,Keysight E5052B 信号源分析仪是一款功能强大、性能可靠、应用广泛的综合性测试仪器。它通过提供精确的相位噪声、全面的 VCO 特性以及深入的瞬态分析能力,极大地帮助工程师们攻克信号源设计与测试中的难关,是当之无愧的“信号源分析神器”!
雷达测量与信号分析基础——第四部分
模拟信号源的前世今生:从机械振动到量子极限的跨越
被誉为“信号源分析神器”的经典仪器——Keysight E5
什么是模拟示波器?